SBC Series Load Cell
Specification Value
Model SBC
Rated Load Capacity (kg) 100 to 10,000
Output Sensitivity (mV/V) 2mV/V ± 0.25%
Input Resistance (Ω) 350 ± 10
Output Resistance (Ω) 350 ± 5
Excitation Voltage (V) 10 to 15 Volts DC
Non-Linearity (%FS) ± 0.025%
Hysteresis (%FS) ± 0.025%
Creep (%FS) 0.025%
Non-Repeatability (%FS) ± 0.05%
Zero Balance (%FS) 2%
Compensated Temperature Range (°C) -20°C to 65°C
Temperature Effect on Zero (%FS/°C) ±0.005
Temperature Effect on Output (%FS/°C) ±0.005
Safe Overload (%FS) 150%
Protection Class IP66

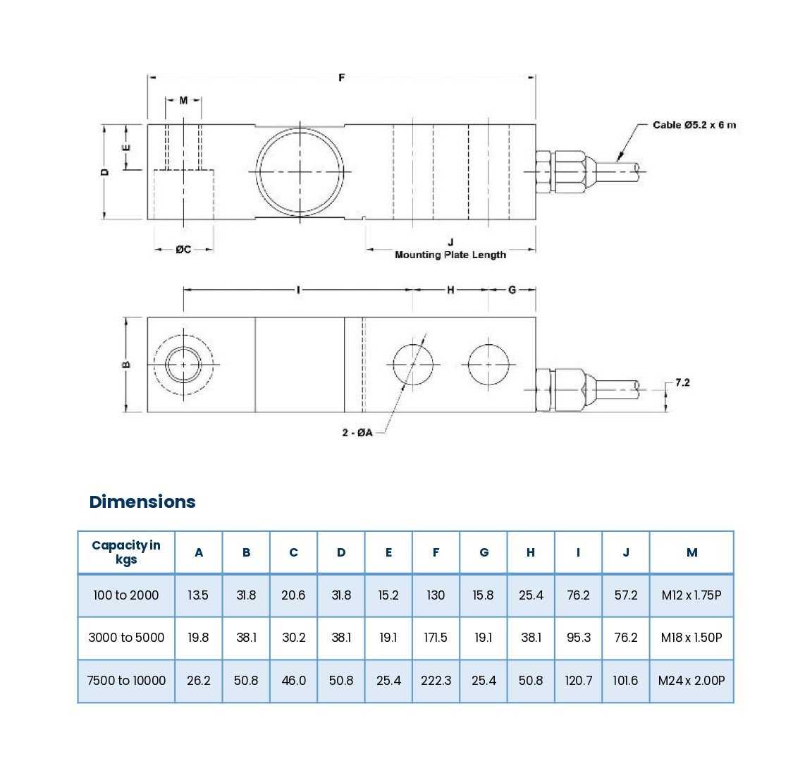
Diagram

SBC Series Load Cell Diagram

Client Login area